74HC00
74HC00
RENESAS
74HC00 ST SOP
In Stock: 6124 pcs
, mwanachama maarufu wa familia ya CMOS Logic IC, anajumuisha milango minne ya NAND kwenye kifurushi kimoja, akielekeza teknolojia ya lango la silicon ili kufanana na kasi ya utendaji ya LS-TTL na matumizi ya chini ya nguvu.Mchanganyiko huu wa kasi na ufanisi, uliodhabitiwa na uwezo wake wa kuendesha hadi mizigo kumi ya LS-TTL na diode ya ndani ya kushinikiza ulinzi wa kutokwa kwa umeme, nafasi ya 74hc00 kama sehemu ya kuaminika na ya kuaminika katika muundo wa mzunguko wa dijiti.Unaweza kufahamu matokeo yake ya buffered kwa kinga ya kelele iliyoimarishwa na utangamano wake na viwango kadhaa vya kiwango cha tasnia, na kuifanya kuwa msingi wa kuunda mifumo ya dijiti yenye ubunifu na nguvu.
Katalogi
74hc00, inayojumuisha Gates nne za NAND, inajulikana kwa upatanishi wake na familia ya LS-TTL.
Kutumia teknolojia ya Silicon-Gate CMOS, inafikia kasi ya kiutendaji sawa na LS-TTL wakati wa kudumisha utumiaji wa nguvu ya chini.Usawa huu hukuruhusu kutumia kasi na ufanisi, kukuza miundo ambayo inaangazia na ustadi.Matokeo ya lango la buffered huongeza kinga ya kelele, sababu ambayo inachangia utendaji thabiti hata katika mazingira ya ishara ngumu.
Uwezo wake wa kuendesha hadi mizigo kumi ya LS-TTL hufanya iwe inafaa kwa mifumo ambayo matokeo mengi ya ishara yanahitajika.
Imewekwa na clamping ya diode ya ndani, hupunguza hatari zinazohusiana na kutokwa kwa umeme.Kitendaji hiki kinasisitiza jukumu lake katika kupanua maisha marefu, kuonyesha kwa busara hekima katika kutafuta kuegemea kwa muda mrefu.
Marekebisho na sawa:
•
CD4011
CD4011
I-CORE
701
In Stock: 25220 pcs
• MC54HC00AJD
• M74HC00M1
• SN54LS00
• SN74HCT00DTE4
•
74HCT132D
74HCT132D
NXP
74HCT132D PHILIPS SOP14
In Stock: 16924 pcs
•
74HCT00
74HCT00
TI
74HCT00 ST SOP14
In Stock: 2870 pcs

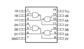
• Pini 1, 2, 4, 5, 9, 10, 12, 13: pembejeo za data
Pini hizi zimetengenezwa kupokea ishara za pembejeo zinazoongoza shughuli za mantiki za milango ya NAND ndani ya chip.Kuhakikisha pembejeo hizi ni bure kutoka kwa kuingilia kati tabia ya mzunguko inayoweza kutegemewa, kuonyesha kwa udhibiti na utabiri.
• Pini 3, 6, 8, 11: Matokeo ya data
Kufanya kama matokeo, pini hizi zinaonyesha matokeo ya hesabu za lango la NAND.Wanaweza kuajiriwa katika ujenzi tofauti wa mantiki ya dijiti, kuweka pamoja mifumo ngumu ya mantiki.Wakati mizunguko mingi imeunganishwa na pato moja, athari za upakiaji zinazowezekana zinaonyesha usawa katika usawa unaohitajika katika uhusiano wa ndani.
• Pini 7: ardhi (GND)
Pini hii inaunganisha kwenye ardhi ya mfumo ili kutoa hatua ya kumbukumbu thabiti kwa voltages.Kuanzisha uhusiano mzuri kama huo unalingana na harakati za asili za kutuliza na uwazi, kupunguza usumbufu.
• Pini 14: Ugavi mzuri wa nguvu (VCC)
Kulisha voltage sahihi kupitia PIN hii inasaidia utendaji wa kifaa.Wakati wa kudumisha ndani ya anuwai maalum huongeza maisha marefu na ufanisi, kuweka capacitors za kupunguka karibu na pini za nguvu kunaweza kuleta utulivu wa operesheni, mikakati ya kusimamia ugumu wa maisha.
74HC00
74HC00
RENESAS
74HC00 ST SOP
In Stock: 6124 pcs
imeundwa na milango minne huru ya NAND ambayo inazingatia ufanisi wa nguvu, ikikuvutia na utendaji wake wa kuaminika katika mizunguko ya dijiti.Kinga yake ya kuvutia ya kelele inachangia matumizi thabiti, ambayo wengi hupata rufaa kwa miradi ya kuweka kipaumbele.Inapatikana katika muundo wa DIP na SOIC, hukutana na mahitaji ya muundo tofauti na hutoa chaguzi rahisi za mpangilio wa PCB.
Kubadilika kwa 74HC00 inaruhusu iwe sawa na usanidi anuwai wa lango na mifumo ngumu.Unaweza kuthamini uwezo wake wa pembejeo/uwezo wa kuendesha gari, ukiona kuwa muhimu kwa kuunda kazi ngumu za dijiti.
Uwezo wake wa kufanya kazi chini ya hali tofauti hufanya 74HC00 kuwa maarufu katika elimu na maendeleo ya mfano.Urahisi ambao hubadilika na kuongezeka kwa ugumu wa mzunguko hukuchochea kuchunguza uvumbuzi mpya bila kutoa utendaji.
Muhtasari wa mtengenezaji
Vyombo vya Texas vimepata sifa ya kujitolea kwake kuunda bidhaa za kuaminika na za msingi za semiconductor.Kwa mtazamo wao usio na usawa juu ya uimara na utendaji bora, vifaa vya Texas Vyombo vinajikuta kwenye moyo wa matumizi mengi, kuonyesha jukumu lao bora katika tasnia ya umeme.
Vipimo vya mwili
Kupima 8.65mm x 3.91mm x 1.58mm,
74HC00
74HC00
RENESAS
74HC00 ST SOP
In Stock: 6124 pcs
inajivunia muundo mwembamba ulioundwa kwa mazingira ya kompakt.Vipimo hivi vinarahisisha ujumuishaji katika mpangilio wa bodi za mzunguko tofauti, hukuruhusu kufanya nafasi ndogo bila kuathiri uwezo wa kushangaza wa kifaa.
Tabia za umeme
Vipimo vya usambazaji wa voltage kutoka 2V hadi 6V, vinatoa uwezo wa kuchagua katika kuchagua vyanzo vya nguvu na kuhakikisha utangamano na wigo mpana wa mizunguko ya dijiti.Aina hii ya voltage inasaidia matumizi ya anuwai, kuwezesha 74HC00 kuzoea kuzoea mabadiliko ya mahitaji katika mazingira yenye nguvu.
Hali ya joto na mazingira
Inafanya kazi vizuri kati ya -40 ° C na 85 ° C, kifaa hicho kimeundwa kustawi katika hali ya hewa tofauti na hali ya viwanda.Upinzani wake dhidi ya viwango vya joto hufanya iwe chaguo linalopendekezwa kwa umeme wa watumiaji na matumizi ya viwandani, ambapo kutofautisha kwa mazingira hupewa.
Metriki za utendaji
Kutoa kuchelewesha kwa uenezi wa nanoseconds 23, 74HC00 inafanikiwa katika usindikaji ufanisi unaohitajika kwa kazi za mantiki za kasi kubwa.Utendaji huu mwepesi ni mzuri kwa matumizi kama vile udhibiti wa ishara za dijiti na mifumo ya mawasiliano, ambapo ubadilishanaji wa data wa haraka ni jambo la lazima.
Muundo wa muundo
Kifaa hicho kinajumuisha milango 4, kwa shughuli za mantiki za NAND, kutoa utendaji mkubwa kwa miundo ya mantiki ya ngumu.Usanidi huu unathibitisha faida ambapo shughuli za kimantiki zinahitajika kutekelezwa kwa ufanisi, kuhakikisha usindikaji mwepesi na wa kuaminika ndani ya mifumo.
Uainishaji
Kufanya kazi kama lango la mantiki, 74HC00 hutumika kama sehemu ya msingi katika uundaji wa mzunguko wa dijiti.Unaweza kutumia vitu hivi kuunda mifumo tata ya dijiti, na hivyo kuongeza nguvu ya computational na uwezo wa usindikaji katika njia za ubunifu.
74HC00
74HC00
RENESAS
74HC00 ST SOP
In Stock: 6124 pcs
inajumuisha milango minne tofauti ya NAND, kila moja ikiwa na pembejeo mbili zinazoongoza kwa pato moja.Operesheni hiyo inategemea meza ya ukweli wa kina.Hasa, pato linashuka chini tu ikiwa pembejeo zote mbili ni kubwa.Vinginevyo, pato linakaa juu - kitu cha msingi katika muundo wa mantiki ya dijiti, hufanya kama sehemu ya msingi katika kuunda mizunguko ngumu zaidi.
Maoni mazuri huathiri sana utulivu katika milango hii.Wakati kila lango linasindika pembejeo zake, maoni hutumika kuimarisha hali ya pato, kukuza utendaji thabiti.Usawa huu unafikiwa kwa kuoanisha athari za lango na maadili ya pembejeo.Unaweza kugonga katika kipengele hiki ili kuunda mizunguko inayohitaji majimbo ya mantiki ya kutegemewa, kufunua safu ya utabiri wa uhakika.
Kushikilia ujanja wa mienendo ya pembejeo-ndani ya milango ya NAND huongeza uwezo wa miundo ya mzunguko iliyoratibiwa.Maombi ya kawaida ni pamoja na kujenga flip-flops na kutekeleza majukumu ya mantiki kama na, au, na sio shughuli.Uwezo huu unasisitiza kupitishwa kwao kwa wigo wa muktadha, kutoka kwa mifumo ya udhibiti wa moja kwa moja hadi mfumo wa kisasa wa computational.
Kutafakari juu ya matumizi mapana ya 74HC00, utendaji wake unaoweza kutegemewa hupata umuhimu katika uwanja unaoweka umeme wa watumiaji kwa mitambo ya viwandani.Nguvu ya kupanga milango hii katika mfumo tofauti wa mantiki hupeana uhuru mkubwa wa ubunifu, kuhimiza uvumbuzi.Kanuni kuu za NAND Gates zinahamasisha suluhisho zilizoundwa kwa vizuizi vya kipekee vya kiteknolojia.
74HC00
74HC00
RENESAS
74HC00 ST SOP
In Stock: 6124 pcs
ni lango la NAND la pembe mbili la pembejeo iliyoundwa na usahihi wa kupendeza.Inajumuisha mchanganyiko mzuri wa vitendo na ujanibishaji wa kiteknolojia.
Vipengee
• Inafanya kazi kwenye anuwai pana ya voltage
• Inaonyesha kuchelewesha haraka kwa uenezi
• Inafaa kwa shughuli za kasi na za chini
Tabia za umeme
• Voltage na ya sasa: Sehemu hii inafanya kazi juu ya upana wa viwango vya voltage, inachukua utofauti wa mahitaji ya muundo.
• Aina ya joto: hufanya kwa uhakika katika mipangilio anuwai ya joto, ikiruhusu kubadilika kwa hali tofauti za mazingira.
Maombi
• Matumizi ya Jumla: Sehemu inayobadilika, hupata mahali katika mizunguko mingi ya dijiti, kutimiza mahitaji ya kuanzia kazi za kila siku hadi matumizi magumu na neema.
• Utekelezaji maalum: Kutoka kwa vifaa vya umeme hadi mifumo ya viwandani, 74HC00 inajumuisha bila mshono, ikionyesha matumizi yake katika kila programu.
Chip ya
74HC00
74HC00
RENESAS
74HC00 ST SOP
In Stock: 6124 pcs
inaonyesha kubadilika kwa kushangaza, mara nyingi huonekana katika muktadha tofauti wa elektroniki shukrani kwa wigo wake mpana wa utendaji.
Buffering na kuendesha
74HC00 inafanya kazi kama buffer au dereva, inakuza kuunganishwa kwa mshono kwa mizunguko.Kwa kupunguza matone ya voltage na uharibifu wa ishara, huweka mawasiliano thabiti kati ya vifaa.Katika vifaa vya elektroniki, kuajiri 74hc00 kama buffer inaweza kukuza uwezo wa microcontroller kuamsha taa nyingi za LED au moduli za kupeana, kipengele cha mara kwa mara katika miradi ya DIY.
Shughuli za mantiki
Chip hii inawezesha shughuli za mantiki, kama vile NAND Gates, kutengeneza msingi wa mifumo ngumu.Ujumuishaji wake usio na nguvu katika mizunguko mbali mbali ya mantiki inasisitiza utumiaji wake.Katika muundo wa dijiti, milango ya NAND inayokuwezesha inakuwezesha kuunda mizunguko ya kimantiki ya kisasa na vifaa vichache, na kuongeza uwezo na uwezo.
Ujumuishaji wa Mifumo iliyoingia
Ndani ya mifumo iliyoingia, utekelezaji wa kazi wa 74HC00 kwa kuingiza kazi za mantiki ndani ya mipango ya microcontroller.
Vifaa vingi vya IoT huajiri chip hii kutekeleza ukaguzi wa masharti na kusimamia vifaa vya pembeni, kuongeza mwitikio wa mfumo na utegemezi.
Ubadilishaji wa kiwango
74HC00 hutumikia jukumu bora katika ubadilishaji wa kiwango, kurekebisha viwango vya ishara kati ya mzunguko tofauti.Hii inawezesha kuingiliana laini kwa vifaa na viwango tofauti vya voltage.Katika hali mchanganyiko-voltage, kama vile kuunganisha microcontroller ya 5V na sensor ya 3.3V, 74HC00 hufunga kwa mgawanyiko huo, kuhakikisha kugawana data sahihi.
Wakati na mizunguko ya kudhibiti
Chip pia inaangazia wakati na mizunguko ya kudhibiti, kusaidia katika uratibu wa kina wa kazi za mantiki za mpangilio, kuongeza programu kama mizunguko ya kuchelewesha na kizazi cha mapigo.Kusafisha mizunguko ya wakati na 74hc00 huongeza usahihi katika majukumu kama mifumo ya mawasiliano ya synchronous, kulinda uaminifu wa data kupitia usimamizi wa wakati wa kina.
Ulinganisho wa dijiti kwa kulinganisha binary
74HC00 inafanya kazi kama kulinganisha dijiti kwa kulinganisha kwa binary, bora kwa kufanya maamuzi ndani ya mfumo wa dijiti.Inagundua usawa au tofauti kati ya takwimu za binary.Kutumia 74hc00 kwa kulinganisha binary hutoa njia bora ya kutekeleza maamuzi ya matawi katika itifaki tofauti za dijiti, kuimarisha utendaji wa mfumo katika shughuli.
Datasheet 74HC00:
74HC00 Maelezo PDF74HC00 Maelezo PDF kwa Fr.pdfMaelezo ya 74HC00 PDF ya KR.PDF74HC00 Maelezo PDF kwa IT.pdf74HC00 Maelezo PDF kwa ES.PDF
1. Ni nini utendaji wa 74HC00?
74HC00 inajumuisha Gates nne za kuingiza 2 za Nand, zinazofanya kazi ndani ya safu ya nguvu ya 2.0V hadi 6.0V.Kutumikia mifumo ya mantiki ya dijiti, inawezesha malezi ya shughuli za kimantiki, ambazo huunda uti wa mgongo wa usanifu wa dijiti.
2. Je! 74LS00 ina NEA ngapi?
74LS00 inajumuisha seti ya milango nne ya NAND, kila iliyoundwa na pembejeo mbili na pato la umoja.Usanidi huu ni chaguo la kawaida wakati wa kutengeneza vitengo katika vifaa vya elektroniki vya dijiti.
3. Ni nini kinachotofautisha 74hc00 kutoka 74LS00?
Tofauti kuu ni kubadilika kwao kwa voltage.74HC00 inafanya kazi ndani ya safu ya 2V hadi 6V, wakati 74LS00 imelazimishwa kwa usambazaji wa umeme wa 5V.Uteuzi mara nyingi hutegemea tofauti za mahitaji ya matumizi na sababu za mazingira.
4. Je! Unaweza kuelezea safu ya 74HC?
Mfululizo wa 74HC una mizunguko iliyojumuishwa ya kasi ya CMOS, inayotoa kasi inayolingana ya TTL na matumizi ya nguvu iliyopunguzwa.Utangamano wao na mpangilio wa pini wa 74LS 'huruhusu ujumuishaji rahisi na uingizwaji katika mizunguko iliyopo.
5. Je! Ni matumizi gani ya 74hc00?
Katika mizunguko ya dijiti, 74hc00 ni muhimu ambapo milango ya mantiki ya NAND inahitajika kwa ubadilishaji wa ishara na kutekeleza vitendo ngumu vya mantiki.Kubadilika kwake hufanya iwe mali muhimu katika muktadha wa kielimu na uboreshaji wa elektroniki wa kitaalam.
Shiriki chapisho hili